首页
公司简介
振动给料机
星空彩票在线下载安装
星空体育预测软件下载
仓壁振动器
圆盘给料机
旋转给料机
给煤机
放矿机
pc星空游戏下载
xk星空体育
xk星空体育app
xk星空彩票app
新闻中心
pc星空游戏平台官网
企业风貌
pc星空游戏网
联系我们
专于一业 . 精于一业
星空电子下载app
振动筛分机
YA圆振动筛
DYK(S)圆振动筛
ZKR直线振动筛
GD型圆形旋转振动筛
ZS直线振动筛
ZSG高效重型振动筛
YZDS圆振动筛
SZZ自定中心振动筛
DZS耐用圆型系列振动筛
GPS系列高频振动脱水筛
YHS型弧形筛
ZWS型振网筛
ZXD直线等厚振动筛
ZKD系列直线等厚振动筛
ZSLX系列冷矿振动筛
DZX系列大型直线振动筛
DZK系列大型直线振动筛
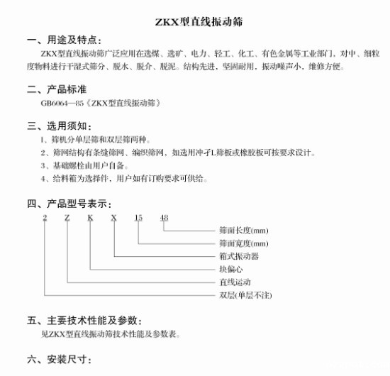
ZKX型直线振动筛
DD、ZD矿用单轴振动筛
ZKX型直线振动筛
上一页:
DD、ZD矿用单轴振动筛
下一页:
DZK系列大型直线振动筛
© 2024 星空电子下载app 备案号:
苏ICP备12071433号-1
苏公网安备 32062102000309号
技术支持:
天正企划
map